Home
Products
Products
more
WIRE ROPE
CHAIN
RIGGING HARDWARE
LIFTING EQUIPMENT
News
News
more
Company news
Industry news
ABOUT US
About Us
About Us
WHO WE ARE
COMPANY HISTORY
FACTORY
CONTACT US
LANGUAGE
English
中文
Home
Products
WIRE ROPE
CHAIN
RIGGING HARDWARE
LIFTING EQUIPMENT
News
Company news
Industry news
ABOUT US
WHO WE ARE
COMPANY HISTORY
COMPANY HONOR
FACTORY
Contact us
English
中文
WIRE ROPE
Single wire rope
Six strand steel wire rope
Eight strand steel wire rope
Compacted wire rope
Four sector strand wire rope
Other wire rope
Steel Wire
CHAIN
RIGGING HARDWARE
LIFTING EQUIPMENT
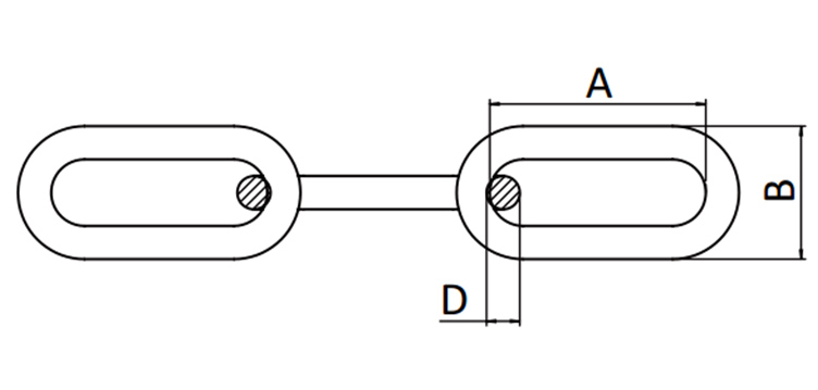
Australian Standard Long Link Chain
2020-03-24
Products Introduction
Specifications